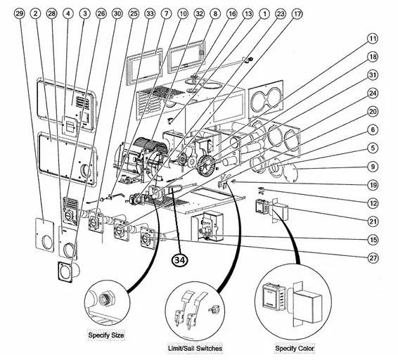
Atwood / Hydro Flame Furnace Model AFMD35141 Tune-Up Kits Kit #1 Is Only Applicable To Serial Numbers 72489156 & Before Tune-Up Kit #1 Includes Item #10 Electrode Assembly 35100 Item #19 Limit Switch, 190 Degrees 31091 Item #20 Sail Switch 31094 (curved blade) IN-STOCK Kit #2 Is Only Applicable To Serial Numbers After 72489156 Tune-Up Kit #2 Includes Item #10 Electrode Assembly 35100 Item #19 Limit Switch, 190 Degrees 31091 Item #20 Sail Switch 33082 (flat blade) ______________________________ Additional Parts Available for Purchase On Our Site. Item#1 15 Amp Circuit Breaker 30337 Item#2 Arctic White Door Kit 31863 Item#2 Black Door Kit 31874 Item#3 Arctic White Door Kit 30539 Item#3 Black Door Kit 30637 Item#4 Vent Adapter Door Kit 31876 Item#5 2 Inch Adapter Duct 36688 Item#6 4 Inch Adapter Duct 31474 Item#7 Adapter Plate Side Discharge Kit 30205 Item#8 Bottom Plate Adapter Assembly Kit 30261 Item#9 4 Inch Duct Cover Plate 31361 Item#10 Electrode 35100 Item#11 Heat Exchanger 35710 Item#12 Leg Casing Kit 31244 Item#13 Gas Line Grommet 35706 Item#15 OEM Ignition Board 31501 Item#15 After-Market Ignition Board 31501MC Item#16 Manifold Extension Kit 35712 Not Shown Manifold Inlet Kit 32349 Item#17 Blower Motor Kit 30720 Item#18 #50 Orifice 31078 Item#19 Limit Switch 31091 Item#20 Sail Switch 31094 (Curved Blade) Item#20 Sail Switch 33082 (Flat Blade) Item#21 Heat Only Black Thermostat 32300 Item#21 Heat Only Brown Thermostat 38452 NLA Item#21 Heat Only White Thermostat 38453 Item#23 Gas Valve V1 31096 Item#23 Gas Valve STR 31097 Item#23 Gas Valve Top 31098 Item#24 Door Vent Kit 31722 Item#31 Combustion Wheel Kit 33128 Item#32 Blower Wheel Kit 33126 Item#33 Wiring Harness 31114





Reviews
There are no reviews yet.